Opis:
Rolnicy polegają na bogatych zbiorach. W przeciwnym razie tracą dużo pieniędzy,
a nawet całą swoją działalność. Monitorowanie roślin uprawnych jest dla nich niezwykle ważne. Muszą być pewni, że rośliny są zdrowe, otrzymują wystarczającą ilość wody i nie cierpią z powodu mrozu.
Aby uniknąć szkód spowodowanych przez mróz, rolnicy zawsze muszą mieć oko na pogodę i temperaturę. Jeśli prognozy przewidują mróz w nocy, rolnik powinien być tego świadomy, aby móc skutecznie chronić swoje uprawy. Jedną z używanych metod ochrony roślin przed mrozem jest zraszanie.
Zraszając rośliny uprawne, chronisz je warstwą wody. Woda zamarza, ale roślina wewnątrz jest chroniona. W zamarzniętej wodzie jest cieplej niż na zewnątrz. Rolnik musi nawadniać rośliny uprawne, dopóki panuje mróz. Gdy tylko zrobi się cieplej, deszczowanie można zatrzymać. Zamrożone kwiaty rozmrożą się.
Kiedy nadciąga mróz, rolnik zwykle kilka razy wstaje w nocy lub pilnuje roślin przez całą noc. Jest to bardzo trudna praca, ale niezbędna do uratowania zbiorów
i utrzymania działalności.
Loxone może pomóc zautomatyzować cały proces. Od monitorowania temperatury po zraszanie roślin, dzięki czemu rolnik zaoszczędzi wiele cennego czasu.
Rozwiązanie:
Automatyczne zraszanie chroniące przed mrozem
Aby zautomatyzować proces ochrony przed mrozem, potrzebne jest:
- Monitorowanie temperatury
- Automatyzacja systemu zraszającego
- Ustawienie systemu powiadamiającego rolnika
Monitorowanie temperatury
Temperatura zewnętrzna musi być monitorowana 24/7. Za pomocą sondy temperatury 1-Wire mierzy się temperaturę gleby. Dodatkowo stacja pogodowa w połączeniu z usługą pogodową dostarcza informacji o wietrze, temperaturze powietrza, deszczu i przewidywanej prognozie. Te trzy źródła są niezbędne, aby móc monitorować temperaturę. W zależności od temperatury system zraszający zostanie włączony lub wyłączony. Jeśli temperatura jest niższa niż 1°, system włącza się
i pozostaje włączony, dopóki temperatura nie wzrośnie ponownie powyżej 10°.
Automatyzacja systemu zraszającego
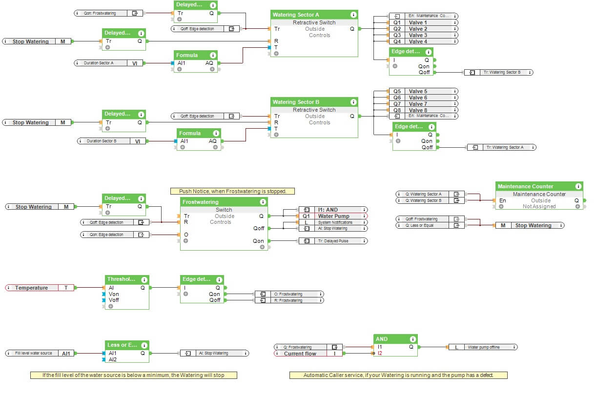
Na polach uprawnych budowana jest instalacja antyprzymrozkowa. W zależności od wielkości pole jest często podzielone na kilka obszarów z własnym systemem nawadniającym.Rura z pola jest podłączona do źródła wody, takiego jak cysterna lub inny zbiornik wodny. Zawór na każdej rurze reguluje przepływ wody. Zawory te są zintegrowane z systemem Loxone za pomocą Relay Extension.
Woda z cysterny lub zbiornika jest dostarczana przez pompę, która jest również zintegrowana z systemem Loxone. Pompa włącza się automatycznie, gdy konieczne jest zraszanie, zależnie od poziomu wody w zbiorniku. W zależności, które pole trzeba zraszać, otwiera się zawór odpowiedniej rury i rozpoczyna się deszczowanie.
Monitorowanie zbiornika wodnego jest ważnym tematem dla rolnika. Umieszczony jest w nim czujnik ultradźwiękowy, który mierzy poziom wody. Gwarantuje, że pompa nie zostanie uruchomiona, gdy w zbiorniku nie ma wystarczającej ilości wody,
która mogłaby doprowadzić do uszkodzenia pompy.
Jeśli pole roślin uprawnych jest podzielone na kilka sektorów, muszą one być zraszane jedno po drugim lub dwa jednocześnie. Ciśnienie w rurze nie byłoby wystarczająco wysokie, aby nawadniać wszystkie pola naraz. Proces automatyzacji reguluje,
w zależności od z góry określonych czasów dla każdego pola, otwarcie zaworów. W pierwszej kolejności zraszany będzie obszar nr 1, a następnie obszar nr 2, każdy przez 20 minut.
Jeśli podczas zraszania rolnik będzie musiał udać się na pole, może ręcznie wyłączyć proces zraszania w aplikacji Loxone. Po zatrzymaniu zraszania zawory pozostaną otwarte przez kolejnych 5 minut, aby upewnić się, że rury się opróżniają i nie ma już w nich wody. Jeśli poziom wody w cysternie jest poniżej progu, pompa jest również pozostaje włączona przez kolejnych 5 minut
System powiadamiania rolnika
Mimo że zautomatyzowany system zraszania wykonuje wiele zadań, rolnik zawsze chce mieć wgląd w to, co się dzieje.
W przypadku zatrzymania zraszania rolnik otrzymuje powiadomienie za pośrednictwem aplikacji Loxone.
Powiadomienia są również wysyłane, jeśli wystąpią problemy z jedną z pomp. Wykorzystując Nano 2 Relay Tree do integracji pompy, można monitorować przepływ prądu. W ten sposób wiemy, czy pompa zużywa energię i działa. Jeśli przepływ prądu nie jest wykryty w momencie, kiedy powinno uruchomić się zraszanie, rolnik zostanie powiadomiony za pośrednictwem połączenia telefonicznego z usługi Loxone Caller Service. W ten sposób może szybko zareagować i uniknąć uszkodzeń upraw.
Konfiguracja w Loxone Config
Przełączniki progowe służą do uruchamiania pompy w zależności od zmierzonej temperatury. Za pomocą przełącznika pompę można również aktywować lub dezaktywować ręcznie w aplikacji Loxone. Zawory w rurach wodnych są podłączone do przełączników.
Licznik czasu pracy informuje o tym, jak długo system zraszający jest już aktywowany.
Komponenty:
- Miniserver
- Usługa Caller Service
- Czujnik ultradźwiękowy
- Nano 2 Relay Tree
- Czujnik temperatury 1-Wire
- Stacja pogodowa
- Usługa Weather Service
- Relay Extension
- Czujnik ciśnienia
Konfiguracja:

Pobierz przykładowy plik:
Frost Protection Watering
Dlaczego ty i twój klient powinniście rozważyć automatyzację zraszania antyprzymrozkowego upraw?
Rolnik polega na swoich zbiorach. Jeśli wystąpią jakiekolwiek szkody, straci dużo pieniędzy lub nawet całą działalność. Nie będzie mógł sprzedać swoich zbiorów.
W najgorszym przypadku cała roślina może umrzeć i będzie musiał ją wymienić,
a jej ponowny wzrost wymaga dużo czasu i pieniędzy.
Im więcej informacji na temat prognoz temperatury i pogody może uzyskać, tym lepiej dla rolnika. Zautomatyzowane powiadomienia ułatwiają jego pracę. Automatyzacja zraszania pomaga mu nie robić tego ręcznie i oszczędza mu dużo czasu.